勝泰專注裝盒機機械生產研發為上千家客戶提供專業的行業解決方案
熱門搜索關鍵詞:裝盒機系列,裝盒機系列,
公司介紹
溫州勝泰機械有限公司位于東海之濱, 坐落于"包裝機械城"-溫州市。集研發、生產、經貿于一體的現代化科技型企業,是國家高新技術企業,通過了CE認證、IS09001質量體系認證,并獲得了多項專利。從事盒裝紙包裝設備10余年,具有先進的技術力量和生產工藝,制造經驗豐富、產品質量可靠、價格合理、能為廣大客戶提供設備、技術、原材料供應全方位服務,幫助客戶打造專業化、智能化、無人化的工業4.0工廠。
本公司專業制造高速臥式裝盒機、立式裝盒機、高速三維包裝機、熱收縮包裝機、拷貝紙包裝機、大回旋切紙機、紙巾封盒機、全自動貼把機等。廣泛用于食品、文娛用品、五金汽配、日用品、化妝品、醫藥保健品、衛生用品等行業,實現全自動化生產包裝裝盒。
勝泰機械
專注"勝泰裝盒機"行業品牌
查看更多
新聞中心
-
2024.5.15-5.17南京2024第31屆生活用紙國際科技展覽會時間:5月15—17日 地址:南京國際博覽中心 展位號:9P23。查看更多 -
2024.2.28-3.1上海華食展 開年第一展溫州勝泰機械有限公司 展位號: 5-E55 時間:2024.2.28-3.1 地點: 上海國家會展中心查看更多 -
人工裝盒與自動裝盒機裝盒哪個省錢?按照長遠眼光看,全自動裝盒機比人工更實惠,更好管理。查看更多 -
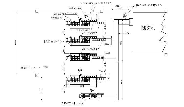
速凍機-食品裝盒機-熱收縮包裝機-裝箱機工作流程溫州勝泰機械自主研發設計速凍機-食品裝盒機-熱收縮包裝機-裝箱機包裝連線設備,大量節約了人工成本。查看更多 -
自動裝盒機標準操作說明自動裝盒機標準操作說明查看更多
客戶案例
-
-
速凍食品自動裝盒包裝生產線 -
枕式包裝機和裝盒機包裝連線 -
沙琪瑪枕包機和自動裝盒機連線 -
袋裝藥品自動裝盒機 -
裝盒機-裝箱機聯機 -
醫用手術線裝盒包裝生產線 -
衛生棉棒自動裝盒機 -
袋裝大藥丸全自動裝盒機 -
核酸試劑自動裝盒機
-
為什么選擇勝泰
高品質技術
我們精心挑選世界各地供應商的優質電子元件,包括我們的 PLC、觸摸屏品牌和電子元件,西門子、我們的傳感器供應商、SICK 和伺服電機。
工藝精湛
我們能提供保證質量的工藝,以滿足全球客戶的各種需求。在勝泰,我們提供機器售后保修。我們公司甚至有 ISO 證書支持,我們的機器都有 CE 證書。
準時交貨
機器的準時交貨在我們公司中起著重要的作用。簽訂業務協議后,我們將盡快開始建造機械。準時交貨有助于我們保持在市場上的活力。
English





